Jump to content
Soni

Scheinwerfer einstellen

Empfohlene Beiträge

Hallo, wer hat auch dieses nervende Problem von anderen Autofahrern angeblendet zu werden weil die anscheinend denken ich hätte das Fernlicht an? ich habe schon die Leuchtweitenregulierung auf 2 gestellt, obwohl ich alleine u. unbeladen im Smart sitze. wenn ich im Dunklen unterwegs bin blendet mich mindestens einer an, ich blende dann kurz zurück. das geht mir sowas von aufn Nerv u. vorallem ist man während des Fahrens total verunsichert u. erschrecken tut man sich auch noch. gestern stand mir gegenüber ein Linienbus an der Ampel der hat mich plötzlich volle Pulle mit seinem Fernlicht geblendet. ich habe letztens erst wieder vor einer Mauer getestet das die Scheinwerfer ganz unten stehen u. von der Werkstatt etc. ist auch alles in Ordnung.

Diesen Beitrag teilen


Link zum Beitrag
Auf anderen Seiten teilen

Einfach mal in eine Werkstatt fahren und mit professionellem Gerät einstellen lassen. Um welches Modell geht es überhaupt? 450, 451, 453? Sind originale Scheinwerfer verbaut? Welche Leuchtmittel sind eingesetzt?

 


 

 

Diesen Beitrag teilen


Link zum Beitrag
Auf anderen Seiten teilen

...oder du hast die Birne nicht korrekt einrasten lassen. 

Sieht man schnell vor einer Wand wenn es keine scharfe Hell-Dunkel Linie gibt. 


2010-2016 Smart 451 Dose 71PS  Kassengestell mit MDC 81PS Software 😎

2016-2020 Smart 451 ED Brabus Exclusiv Cabrio😊

2024- ......   EQ 453  Prime Exclusiv Cabrio  MOPF  12/2020  volle Hütte. 😍

 

Diesen Beitrag teilen


Link zum Beitrag
Auf anderen Seiten teilen
vor 30 Minuten schrieb CHH:

Einfach mal in eine Werkstatt fahren und mit professionellem Gerät einstellen lassen. Um welches Modell geht es überhaupt? 450, 451, 453? Sind originale Scheinwerfer verbaut? Welche Leuchtmittel sind eingesetzt?

 

450 Bj. 2006.  die Scheinwerfer sind  vor ein paar Jahren in einer Mercedes Werkstatt erneuert worden. also natürlich original u. alles eingestellt. 

Diesen Beitrag teilen


Link zum Beitrag
Auf anderen Seiten teilen
vor 1 Stunde schrieb Soni:

 natürlich original u. alles eingestellt. 

 

 

Scheinbar ja nicht....


BMW X3M Competition III 

BMW M2 Competition III  

Hyundai Kona N Performance

BMW 325CI Cabrio E46

Smart Brabus 451 Cabrio

 

Diesen Beitrag teilen


Link zum Beitrag
Auf anderen Seiten teilen

... oder zu wenig Bewegung? 😝


BMW X3M Competition III 

BMW M2 Competition III  

Hyundai Kona N Performance

BMW 325CI Cabrio E46

Smart Brabus 451 Cabrio

 

Diesen Beitrag teilen


Link zum Beitrag
Auf anderen Seiten teilen

zum TÜV  fahren und überprüfen lassen. Die kann man da vor Ort auch selbst nachjustieren ... 2 einstell inbuse pro seite. Eine für hoch runter ... die andere rechts-links. Stellrad auf 0 am Kombiinstrument


andreasma

Diesen Beitrag teilen


Link zum Beitrag
Auf anderen Seiten teilen
vor 3 Stunden schrieb Soni:

450 Bj. 2006.  die Scheinwerfer sind  vor ein paar Jahren in einer Mercedes Werkstatt erneuert worden. also natürlich original u. alles eingestellt. 

Sorry aber die Scheinwerfereinstellung sollte jährlich überprüft werden. 

bearbeitet von maxpower879

Smart 450 Cabrio 2002 599 71 PS 

Smart 451 2007 Turbo Cabrio 115 PS 

Seres 3 

 

 

 

Diesen Beitrag teilen


Link zum Beitrag
Auf anderen Seiten teilen
Am 3.12.2024 um 16:51 schrieb Smart911a:

zum TÜV  fahren und überprüfen lassen. Die kann man da vor Ort auch selbst nachjustieren ... 2 einstell inbuse pro seite. Eine für hoch runter ... die andere rechts-links. Stellrad auf 0 am Kombiinstrument

Ich war ja letzte Woche beim TÜV der mir kostenlos am 450er die Lichter eingestellt hat, angeblich waren die zu niedrig eingestellt... 

 

Ich fand die Ausleuchtung super bis dahin. 

 

Jetzt leuchten die natürlich SEHR knapp unter die Linie der Fahrerkabine der anderen Teilnehmer und jeder 5. gibt mir Lichthupe...

 

Unglaublich.

 

Evtl ust der Smart durch seinen kurzen Radstand zuviel am hoppeln beim abbremsen und gasgeben dass es die anderen blendet oder ich weiss auch nicht.

 

Werde ich mich mal wieder selbst an die Arbeit machen müssen damit es passt.

 

Jedes mal wenn ich irgendwo was machen LASSE ist es pfusch...

 

 

https://www.hella.com/techworld/de/technik/beleuchtung/scheinwerfer-einstellen/

 

 

IMG_20251215_044311.jpg

 

Zitat:

 

"

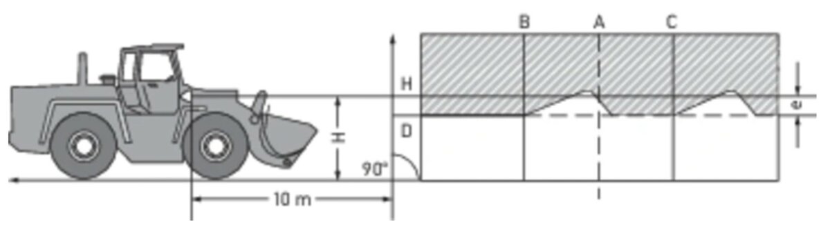
Scheinwerfer einstellen mit der 10 Meter-Wand
 

Wie bereits erwähnt, wird diese Methode heute noch hauptsächlich bei Fahrzeugen genutzt, bei denen der obere Spiegelrand der Scheinwerfer höher als 140 cm über der Standfläche liegt. Das Fahrzeug wird auf einer ebenen Fläche, die nicht horizontal zu sein braucht, in 10 m Abstand vor einer senkrechten, hellen Wand aufgestellt.

Folgende Linien müssen auf der Wand aufgebracht werden.

Linie A
Fahrzeuglängsachse bis zur Prüfwand verlängern und durch eine senkrechte Linie kennzeichnen.

Linie B und C
Abstand X der Scheinwerfer (Mitte zu Mitte) am Fahrzeug ausmessen und das Maß symmetrisch zur Linie A auftragen.

Scheinwerfer einstellen ohne Gerät: Formel
 

Linie D
Im Abstand „e“ unterhalb der Linie H auftragen.

Linie H
Höhe Scheinwerfermitte – Standfläche ausmessen und auf der Prüfwand parallel zur Standfläche auftragen.

bearbeitet von Broxin

Diesen Beitrag teilen


Link zum Beitrag
Auf anderen Seiten teilen

Erstelle ein Benutzerkonto oder melde dich an, um zu kommentieren

Du musst ein Benutzerkonto haben, um einen Kommentar verfassen zu können

Benutzerkonto erstellen

Neues Benutzerkonto für unsere Community erstellen. Es ist einfach!

Neues Benutzerkonto erstellen

Anmelden

Du hast bereits ein Benutzerkonto? Melde dich hier an.

Jetzt anmelden

  • Der letzte Post

    • Handbremse und Motor wirken beim Smart jeweils auf beide Hinterräder, stehender Motor bei eingelegtem Gang aber nur, wenn beide Räder auf dem Boden stehen.   Nur den Gang einlegen und dann mit Wagenheber hinten hochheben klappt nicht, denn dann kann das angehobene Hinterrad frei in der Luft drehen und über das Differential ist damit damit auch das andre frei drehend > kein Feststellen mehr. Auch für das Ajheben vorn ist nur Motorbremse unsicher, da der Antriebsstrang reichlich Spiel hat und somit der Wagenheber wegklappen kann.   Kurz: IMMER die Handbremse anziehen wenn man den Wagen aufbockt, idealerweise noch das am Boden verbleibende Hinterrad mit Keilen/Hölzern etc beidseitig sichern.
  • Forenstatistik

    • Themen insgesamt
      153.159
    • Beiträge insgesamt
      1.615.165
×
×
  • Neu erstellen...

Wichtige Information

Wir haben Cookies auf Ihrem Gerät platziert, um die Bedinung dieser Website zu verbessern. Sie können Ihre Cookie-Einstellungen anpassen, andernfalls gehen wir davon aus, dass Sie damit einverstanden sind.