Jump to content

Empfohlene Beiträge

Hi,

 

Danke für den Tipp! Ich hab ihn mal angeschrieben 🙂

Diesen Beitrag teilen


Link zum Beitrag
Auf anderen Seiten teilen
vor 11 Stunden schrieb Drachenreiter:

Wie bei Smart üblich, sind die Steuersignale auf Masse bezogen.

 

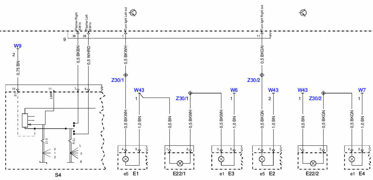
Aus einer zuverlässigen Quelle habe ich jetzt den Schaltplan für die Blinkerschaltung des 451er Smarts bekommen, siehe Bild unten. Das Schaltbild sieht übrigens identisch aus wie beim 450er Smart, Hajo! 😉

Es ist genau so, wie der Drachenreiter geschrieben hat, es ist nicht so, daß 12 Volt das aktive Signal am Eingang des SAM am Stecker N11-9 Pin 38 oder 39 darstellen, sondern der Blinkerschalter schaltet Masse, also 0 Volt auf diese Eingänge des SAM, um die Blinker zu aktivieren. Wenn die Masse weg genommen wird, also wenn nicht geblinkt wird, müsste dieser Eingang dann einen höheren Spannungspegel annehmen.

Ich habe die Befürchtung, daß an diesen Eingängen etwas abgeraucht ist, dort sind ja ganz kleine Mikrowiderstände eingebaut, wie man an dem unteren Bild sieht, die ganz gerne mal in Verbindung mit Feuchtigkeit abrauchen. Auf dem Bild sieht das noch harmlos aus, da gab es schon ganz andere Schadensbilder hier im Forum.

 

 

451 Blinkerschaltung.jpg

Bauteile.jpg

bearbeitet von Ahnungslos

Diesen Beitrag teilen


Link zum Beitrag
Auf anderen Seiten teilen

Der Verdacht der defekten Steuereingänge für die Blinker ist sicherlich begründet, was mich aber daran stört, ist der Fakt, dass bis zum Ausfall beide Eingänge funktioniert haben. Dass beide gleichzeitig ausfallen wäre schon ein sehr großer Zufall.


Fortwo 451 52kW 02/2008 RIP Motorschaden 

Fortwo 451 52kW MHD 01/2011

Diesen Beitrag teilen


Link zum Beitrag
Auf anderen Seiten teilen
vor 8 Minuten schrieb Drachenreiter:

Dass beide gleichzeitig ausfallen wäre schon ein sehr großer Zufall.

 

Das ist mir schon auch bewusst! 

Aber an irgendwas muss es ja liegen, ich hoffe mal, daß Petros ein bißchen Licht ins Dunkel bringen kann und wir hier die Auflösung dieses Rätsels erfahren!  🙂

Auf jeden Fall ist hier die Masse das aktive Signal am Eingang des SAM, da beisst die Maus keinen Faden ab! 😉

Diesen Beitrag teilen


Link zum Beitrag
Auf anderen Seiten teilen
vor 22 Stunden schrieb MTC:

Ich hab mir ein gebrauchtes gekauft (werde ich wegen schlechten Zustandes aber zurückschicken), das kann ich testweise auch Mal anklemmen.

Hast du das gebrauchte zum testen

ausprobiert?

bearbeitet von smart45005

450er Coupe Bj.01 / 72 PS,

450er Cabrio Bj.06 / 61PS,

Seat Alhambra FR line Bj. 18 

SD/ DDT4ALL/ VCDS vorhanden

 

 

Diesen Beitrag teilen


Link zum Beitrag
Auf anderen Seiten teilen

Ne, noch nicht. Ich hab ja petros angeschrieben und schon ne erste Rückmeldung bekommen. Wenn es heute zeitlich passt, teste ich das trotzdem Mal aus.

Diesen Beitrag teilen


Link zum Beitrag
Auf anderen Seiten teilen
vor 14 Stunden schrieb smart45005:

Hast du das gebrauchte zum testen

ausprobiert?

Petros hatte mir per Privatnachricht geschrieben, dass der Kilometerstand vom SAM auf die anderen Steuergeräte übertragen wird, wenn er höher ist.

Da unser Smart gerade Mal 20.000km gelaufen hat, wird das gebrauchte mit Sicherheit mehr runter haben (dem Zustand nach viel, viel mehr).

 

Am Wochenende bin ich vermutlich bei petros, dann schauen wir uns das genauer an.

Diesen Beitrag teilen


Link zum Beitrag
Auf anderen Seiten teilen

Wünsche Dir viel Erfolg bei der Lösung des Problems! 🙂

Natürlich mit der Bitte um ein Feedback! 😉

Diesen Beitrag teilen


Link zum Beitrag
Auf anderen Seiten teilen
vor 1 Stunde schrieb MTC:

Petros hatte mir per Privatnachricht geschrieben, dass der Kilometerstand vom SAM auf die anderen Steuergeräte übertragen wird, wenn er höher ist.

Da unser Smart gerade Mal 20.000km gelaufen hat, wird das gebrauchte mit Sicherheit mehr runter haben (dem Zustand nach viel, viel mehr).

 

Am Wochenende bin ich vermutlich bei petros, dann schauen wir uns das genauer an.

Aber doch nur wenn auch die Fahrgestellnummer übereinstimmt soweit ich weiß. 

Bevor du aber auch noch ein Kilometerstandproblem hast und das bei der Laufleistung warte besser bis zum 

Wochenende. Vielleicht kann er deins ja reparieren dann brauchst du das andere garnicht.


450er Coupe Bj.01 / 72 PS,

450er Cabrio Bj.06 / 61PS,

Seat Alhambra FR line Bj. 18 

SD/ DDT4ALL/ VCDS vorhanden

 

 

Diesen Beitrag teilen


Link zum Beitrag
Auf anderen Seiten teilen

Hi zusammen,

Ich bin gerade bei Petros gewesen und die Blinker funktionieren wieder!

Wir haben nochmal das Kabel Blinkerhebel<>SAM durchgemessen, war i.O.

Blinker über Star Diagnose angesteuert: auch i.O.

Bei Betätigung des Hebels gibt's aber kein Signal im SAM.

Daraufhin das SAM ausgebaut und geöffnet: es war nichts auffälliges zu sehen. Alle Kontakte sahen i.O aus, keine (sichtbaren) kalten Lötstellen etc, auch keine Wasserspuren.

Dann hat Petros das SAM (bzw. die Platine, auf welche der Stecker N11-9 gesteckt wird) einfach Mal mit einem Platinenreiniger gereinigt, abgetrocknet und siehe da: nach Einbau funktioniert alles wie gewohnt.

Ich beobachte das jetzt erstmal weiterhin, auf der Rückfahrt (1h wegen Stau) haben die Blinker zuverlässig funktioniert.

 

Vielen lieben Dank fur die Hilfe und den Kontakt zu Petros und natürlich ganz besonders Dankeschön an Petros selbst 🙂

 

Viele Grüße,

Michael

 

Diesen Beitrag teilen


Link zum Beitrag
Auf anderen Seiten teilen

Echt komisch aber gut, daß es jetzt wieder funktioniert, hoffentlich auf Dauer! 🙂

Danke für Dein Feedback und Anerkennung an Petros für seine Hilfe! 

Diesen Beitrag teilen


Link zum Beitrag
Auf anderen Seiten teilen

Hallo und funktioniert noch alles???


450er Coupe Bj.01 / 72 PS,

450er Cabrio Bj.06 / 61PS,

Seat Alhambra FR line Bj. 18 

SD/ DDT4ALL/ VCDS vorhanden

 

 

Diesen Beitrag teilen


Link zum Beitrag
Auf anderen Seiten teilen

Hi,
Stand jetzt: ja, weiterhin einwandfreie Funktion. 3x auf Holz klopf ;)

 

Diesen Beitrag teilen


Link zum Beitrag
Auf anderen Seiten teilen
vor 2 Minuten schrieb MTC:

Hi,
Stand jetzt: ja, weiterhin einwandfreie Funktion. 3x auf Holz klopf 😉

 

👍


450er Coupe Bj.01 / 72 PS,

450er Cabrio Bj.06 / 61PS,

Seat Alhambra FR line Bj. 18 

SD/ DDT4ALL/ VCDS vorhanden

 

 

Diesen Beitrag teilen


Link zum Beitrag
Auf anderen Seiten teilen

Hallo zusammen,

 

wir haben an unserem 450er cdi Cabrio von 2003 jetzt exakt den gleichen Fehler:

Die Blinker funktionieren nicht mehr per Blinkerhebel. Per Warnblinkanlage geht aber alles.

Dafür blinkt der rechte Blinker dauerhaft, sobald der rechte elektrische "Haken" des Verdecks eingreift, und der linke Blinker wenn der linke Haken eingreift oder das Verdeck komplett in einer der beiden "offen"-Positionen verrigelt ist.

Solang das Verdeck geschlossen ist oder sich in einer Zwischenposition befindet, funktionieren die Blinker (per Blinkerhebel) gar nicht.

Sonst funktioniert alles.

 

Natürlich hatte ich auch direkt das SAM im Verdacht und, siehe da, die Windschutzscheibe ist untenrum lose und an den beiden Steckplätzen N11-9 und N11-8 sind Kalkablagerungen erkennbar.

Die Platine selber sieht aber top aus! Hier deutet wirklich nichts auf einen Feuchtigkeitsschaden hin und auch die relevanten SMD-Widerstände scheinen alle i.O. zu sein.

 

Was würdet Ihr mir raten?

Könnte mir evtl. jemand von Euch ein SAM klonen?

Wenn ich ein gebrauchtes besorge, worauf muss ich achten? Muss die V...-Nummer gleich sein? Muss das Ersatzgerät auch von einem Diesel und/oder Cabrio stammen?

 

Für Tipps wäre ich wirklich dankbar!

 

Vielen Dank vorab und schöne Grüße aus Wuppertal!

 

Diesen Beitrag teilen


Link zum Beitrag
Auf anderen Seiten teilen

Erstelle ein Benutzerkonto oder melde dich an, um zu kommentieren

Du musst ein Benutzerkonto haben, um einen Kommentar verfassen zu können

Benutzerkonto erstellen

Neues Benutzerkonto für unsere Community erstellen. Es ist einfach!

Neues Benutzerkonto erstellen

Anmelden

Du hast bereits ein Benutzerkonto? Melde dich hier an.

Jetzt anmelden

×
×
  • Neu erstellen...

Wichtige Information

Wir haben Cookies auf Ihrem Gerät platziert, um die Bedinung dieser Website zu verbessern. Sie können Ihre Cookie-Einstellungen anpassen, andernfalls gehen wir davon aus, dass Sie damit einverstanden sind.