Jump to content
Schlutopia

Smart450 Zuheizer Anschlussplan

Empfohlene Beiträge

Moin,

habe hier einige Beiträge zum Thema Zuheizer durchforstet, aber leider keinen Schaltplan, bzw. Anschlussplan für den Zuheizer gefunden.

Hat jemand einen?

Hintergrund ist der, der Zuheizer funktioniert nicht. Kontrolleuchte im KI geht, Sicherung ist OK, Aussentemp. ist kalt..., Bordspannung über 14Volt. Habe den Zuheizer ausgebaut, Kontakte sind neuwertig. Nun habe ich gelesen, es wären vier Heizspiralen, die Heizung hat aber "nur" drei Stecker. Bei den beiden äusseren kann ich jeweils acht Ohm Widerstand messen, zwischen den Kontakten des mittleren Steckers nichts (hochohmig). Ich vermute, dass dort auch ein messbarer Heizkreis sein müsste. Hat jemand entsprechende Werte?

Man hört auch kein Relais klacken beim Einschalten des Zuheizers...

 

Danke

Diesen Beitrag teilen


Link zum Beitrag
Auf anderen Seiten teilen
vor 40 Minuten schrieb Schlutopia:

Man hört auch kein Relais klacken beim Einschalten des Zuheizers...

 

Da wirst Du außer dem leisen Klicken des Magnetschalters auch nix hören, denn es gibt kein Relais für den elektrischen Zuheizer.

Der Zuheizer wird von dem Glühzeitsteuergerät, das auf dem Träger rechts neben dem Motor sitzt, versorgt.

Diesen Beitrag teilen


Link zum Beitrag
Auf anderen Seiten teilen

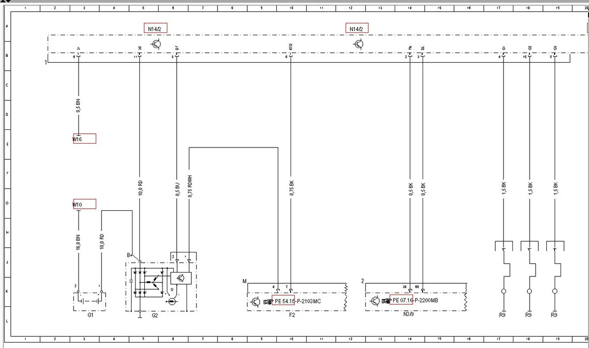
@Schlutopia
Habe dir mal für den Zuheizer die Schaltpläne herausgesucht.
Viel Erfolg!


 

#1 Schaltplan Zuheizer Smart 450_a.jpg

#1 Schaltplan Zuheizer Smart 450_b.jpg

#1 Schaltplan Zuheizer Smart 450 - Schaltplan Legende.jpg


Beiträge dieses Benutzers können Spuren von Ironie, Sarkasmus, Uran, purer Boshaftigkeit, Fachwissen und Erdnüssen enthalten!

This user's posts may contain traces of irony, sarcasm, uranium, pure malice, expertise and peanuts!

 

 

 

Skeched Smart Car_4.jpg

Diesen Beitrag teilen


Link zum Beitrag
Auf anderen Seiten teilen

Dann ist es auch normal, daß die beiden Anschlüsse des mittleren Steckers keine ohm'sche Verbindung zueinander haben.

 

Das Glühzeitsteuergerät rechts vom Motor sieht übrigens so aus wie auf dieser Seite zu sehen, das ist quasi die Komponente N14/2 auf dem Schaltplan.

Der linke Stecker mit den vier dicken Kontakten führt dann zu dem Zuheizer, der andere ist für die Glühkerzen zuständig.

 

Auf dieser Seite sieht man übrigens die Belegung des auf dem Bild rechten Steckers, der linke ist zwar nicht beschrieben, aber das sind die Pins 1-4, die auf dem Schaltplan zu sehen sind.

Es handelt sich ja um vier Heizelemente, die entsprechend von diesem Glühzeitsteuergerät angesteuert werden, um Wärme für den Luftstrom in der Mittelkonsole zu erzeugen.

bearbeitet von Ahnungslos

Diesen Beitrag teilen


Link zum Beitrag
Auf anderen Seiten teilen

Danke. Konnte an der Heizung keinerlei Ansteuerung bei laufendem Motor messen. Es müsste ja eigentlich bei Betrieb, wenn auch kleinste Stufe, wenigstens an einem Kontakt 12V anliegen.

Diesen Beitrag teilen


Link zum Beitrag
Auf anderen Seiten teilen

Du musst auf jeden Fall den Innenraumlüfter dazu einschalten, da ist eine Schutzschaltung implementiert!

Diesen Beitrag teilen


Link zum Beitrag
Auf anderen Seiten teilen
Gerade eben schrieb Ahnungslos:

Du musst auf jeden Fall den Innenraumlüfter dazu einschalten, da ist eine Schutzschaltung implementiert!

Klar, hab auch alle Stufen durchprobiert. Umluft/Zuluft spielen keine Rolle, oder?

Diesen Beitrag teilen


Link zum Beitrag
Auf anderen Seiten teilen

Es sind auch noch verschiedene Bedingungen Voraussetzung dafür, daß dieser Zuheizer angesteuert wird und Wärme erzeugt, siehe diese Seite!

Diesen Beitrag teilen


Link zum Beitrag
Auf anderen Seiten teilen

Richtig. Die Parameter wurden im Laufe der Jahre schon oft erfüllt. Und noch nie ging der Zuheizer...  haben Smartie schon seit zehn Jahren...

Diesen Beitrag teilen


Link zum Beitrag
Auf anderen Seiten teilen

So, Stecker war wohl von Anfang an nicht richtig drauf. Zumindest klickte er, als ich drauf rum drückte. Die Heizwiderstände lassen sich vom Steuergerät aus messen. Also bleibt ja nur noch Steuergerät an sich, fehlender oder falscher Messwert, oder eben der Stecker. Leider ist es jetzt zu warm zum Test. Mal gucken, was er bei der Tour zur Arbeit sagt. Danke Euch!!! Hat mir echt geholfen!!

Diesen Beitrag teilen


Link zum Beitrag
Auf anderen Seiten teilen

Tja, Satz mit X. Die Heizung und Zuleitung lassen sich vom Steuergerät aus durchmessen. Also ist wohl das Steuergerät hin, oder ein Sensor scheint nicht freizuschalten. Wo finde ich die OBDII Buchse? Habe ein ICarsoft, würde sonst mal versuchen Fehler auszulesen.

Diesen Beitrag teilen


Link zum Beitrag
Auf anderen Seiten teilen

Erstelle ein Benutzerkonto oder melde dich an, um zu kommentieren

Du musst ein Benutzerkonto haben, um einen Kommentar verfassen zu können

Benutzerkonto erstellen

Neues Benutzerkonto für unsere Community erstellen. Es ist einfach!

Neues Benutzerkonto erstellen

Anmelden

Du hast bereits ein Benutzerkonto? Melde dich hier an.

Jetzt anmelden

  • Aktuell beliebt

  • Der letzte Post

    • Moin, sehr geehrter Broxin, sehr geehrte Forengemeinde !   Auf die Fragen:   und:     Nummer könnte sein : Smart 0000616V007.   Ob es die rötliche Plastikstreuscheibe der 3. Bremsleuchte des 450, 451, 452 einzeln und/oder NEU noch gibt, weiß ich leider nicht.   Vielleicht melden sich ja noch "Wissende".   mit freundlichen Grüßen verbleibt   hedwig
  • Forenstatistik

    • Themen insgesamt
      153.176
    • Beiträge insgesamt
      1.615.577
×
×
  • Neu erstellen...

Wichtige Information

Wir haben Cookies auf Ihrem Gerät platziert, um die Bedinung dieser Website zu verbessern. Sie können Ihre Cookie-Einstellungen anpassen, andernfalls gehen wir davon aus, dass Sie damit einverstanden sind.