Jump to content
Petros_T

Stromlaufplan WIS Lenkrad / LWS

Empfohlene Beiträge

Hallo zusammen,

 

da leider bei meiner Mercedes Diagnose kein WIS dabei ist, suche ich auf diesem weg jemande/n der mir einen Stromlaufplan aus dem WIS bereit stellen kann.

gesucht ist der Plan für das Lenkrad und Lenkwinkelsensor Smart 451. Wichtig - Ab Modelljahr 2011 (ab 07.2010) mit voller Belegung , Tempomat, Schaltwippen.

Danke vorab.


forum.jpg

2010 // Smart ForTwo Brabus Xclusive 102 //

Diesen Beitrag teilen


Link zum Beitrag
Auf anderen Seiten teilen

Uhh, muss ich mal gucken ob ich das habe. Mit dem WIS stehe ich etwas auf Kriegsfuss...

Diesen Beitrag teilen


Link zum Beitrag
Auf anderen Seiten teilen

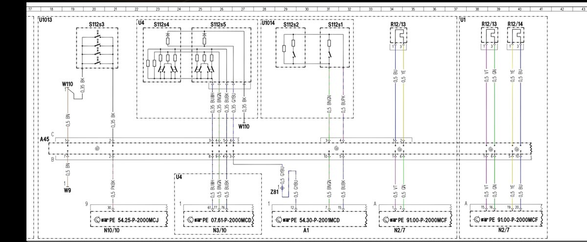
N10/10 ist die Sam 

N3/10 ist das Motorsteuergerät

S112 4 und 5 sind die Tempomattasten 

S112 2 und 1 sind die Schaltwippen wenn vorhanden

S112 3 Hupenschalter

A45 die Wickelfeder

A1 das Kombiinstrument

N2/7 Airbagsteuergerät 

r12/13 Airbag Stufe 1

r12/14 Airbag Stufe 2 (US Kanada) 

Z 81 : Pluspotentialverteiler für Instrumentenbeleuchtung 

W9/W110 sind Massepunkte

bearbeitet von maxpower879

Smart 450 Cabrio 2002 599 71 PS 

Smart 451 2007 Turbo Cabrio 115 PS 

Seres 3 

 

 

 

Diesen Beitrag teilen


Link zum Beitrag
Auf anderen Seiten teilen

Ist nicht aus dem Wis 😉

Kostenlose Carmin App.

Problem dabei ist das man dort keine Legende bei den MB Plänen hat. Daher musste ich die Bezeichnungen schriftlich aus dem Kopf ergänzen. 

 


Smart 450 Cabrio 2002 599 71 PS 

Smart 451 2007 Turbo Cabrio 115 PS 

Seres 3 

 

 

 

Diesen Beitrag teilen


Link zum Beitrag
Auf anderen Seiten teilen
vor 3 Stunden schrieb maxpower879:

Ist nicht aus dem Wis 😉

Kostenlose Carmin App.

Problem dabei ist das man dort keine Legende bei den MB Plänen hat. Daher musste ich die Bezeichnungen schriftlich aus dem Kopf ergänzen. 

 

Vielen dank, und die App lade ich mir auch gleich runter. 😁


forum.jpg

2010 // Smart ForTwo Brabus Xclusive 102 //

Diesen Beitrag teilen


Link zum Beitrag
Auf anderen Seiten teilen

Der Smart ist dort unter Mercedes Benz zu finden 😉


Smart 450 Cabrio 2002 599 71 PS 

Smart 451 2007 Turbo Cabrio 115 PS 

Seres 3 

 

 

 

Diesen Beitrag teilen


Link zum Beitrag
Auf anderen Seiten teilen

Hallo Petros,

wenn du noch Zugriff auf WIS brauchst, kommst halt kurz nach Feuerbach rüber. Ich habe das WIS auf dem PC.

 

Grüße, Willi

Diesen Beitrag teilen


Link zum Beitrag
Auf anderen Seiten teilen

Hey Willi! Herzlichen dank! komme ich gerne drauf zurück.


forum.jpg

2010 // Smart ForTwo Brabus Xclusive 102 //

Diesen Beitrag teilen


Link zum Beitrag
Auf anderen Seiten teilen

Erstelle ein Benutzerkonto oder melde dich an, um zu kommentieren

Du musst ein Benutzerkonto haben, um einen Kommentar verfassen zu können

Benutzerkonto erstellen

Neues Benutzerkonto für unsere Community erstellen. Es ist einfach!

Neues Benutzerkonto erstellen

Anmelden

Du hast bereits ein Benutzerkonto? Melde dich hier an.

Jetzt anmelden

  • Aktuell beliebt

  • Der letzte Post

    • Hat uns auch gerade erwischt. Schloß hat seit Wochen rumgezickt und gestern den Dienst eingestellt. Allerdings scheint es in den Niederlassungen wieder Abhilfe zu geben, habe gerade ein Neues geordert, für 187,-€ inkl. grünem Versand. Beruhigend, dass auch mal was kaputt geht, was nicht mit der Lima oder Steuergehäusedeckel zu tun hat. Da waren wir bis jetzt bei jedem Smart dran. Da die Isolierungen der Kabel in den 17 Jahren sehr hart geworden ist und auch der Türlautsprecher Wackler zeigte, gabs noch einen Türkabelbaum on Topp! Auch der war verfügbar für 96,-€! 
  • Forenstatistik

    • Themen insgesamt
      152.748
    • Beiträge insgesamt
      1.607.267
×
×
  • Neu erstellen...

Wichtige Information

Wir haben Cookies auf Ihrem Gerät platziert, um die Bedinung dieser Website zu verbessern. Sie können Ihre Cookie-Einstellungen anpassen, andernfalls gehen wir davon aus, dass Sie damit einverstanden sind.