Jump to content
Joe123HH

451 Originale Sitzheizung nachrüsten, läuft nicht,Probleme

Empfohlene Beiträge

Hallo,

ich habe schon mal gesucht aber mein Problem nicht gefunden!

 

Ich habe mir 2 Sitze mit Sitzheizung, das Steuerrelais und die Schaltleiste besorgt, alles original!

 

So wie ich es in anderen Beiträgen gelesen habe, geht das plug + play, ist ja auch bei mir alles verkabelt.

 

Das Problem ist, das die Heizung nicht funktioniert, ich drücke den Schalter und die LED leuchtet während des drücken auf und geht beim loslassen gleich wieder aus!

 

Sicherungen sind heil, anhand des Schaltplanes habe ich dann mal gemessen und habe keinen geschalteten Plus, dafür aber 2 x Dauerplus am Relaisträger, ich habe dort unten auch nur einen weißen Block wo ich das Relais einstecken kann.

 

Habe ich was übersehen?

 

Freue mich auf Hilfe oder Denkanstöße.

 

Vielen Dank.

 

Grüße aus Hamburg

 

Diesen Beitrag teilen


Link zum Beitrag
Auf anderen Seiten teilen

Moin @Joe123HH,
Schau dir mal die verlinkte Anleitung an.
Ich gehe davon aus, dass dir das weiterhilft....
Link zur Einbauanleitung: (KLICK HIER


Beiträge dieses Benutzers können Spuren von Ironie, Sarkasmus, Uran, purer Boshaftigkeit, Fachwissen und Erdnüssen enthalten!

This user's posts may contain traces of irony, sarcasm, uranium, pure malice, expertise and peanuts!

 

 

 

Skeched Smart Car_4.jpg

Diesen Beitrag teilen


Link zum Beitrag
Auf anderen Seiten teilen

Vielen Dank!

 

Die kenne ich bereits, mein Problem ist aber das es nicht funktioniert.

 

Was mich aber stutzig macht, ist 2 x Dauerplus am Relaisträger und wenn der Wagen aus ist kann man die Tasten drücken und es leuchtet die LED, das denke ich ist wohl nicht richtig!?

 

Andere Frage:

 

Wie komme ich an den Relaisträger?

 

SAM ausbauen und dann?

 

Weiß jemand wie das geht?

 

Danke.

Diesen Beitrag teilen


Link zum Beitrag
Auf anderen Seiten teilen

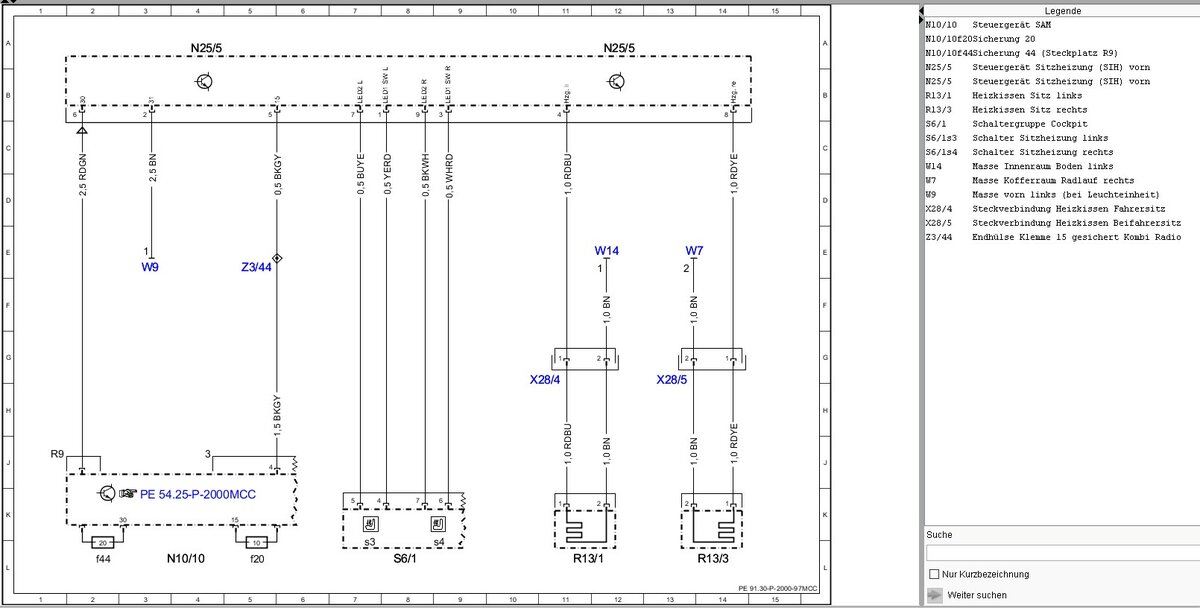
Bild a.)
Einbauort des Steuergerätes Sitzheizung

Bild b.) 
Schaltplan Sitzheizung

 

Plan - Sitzheizung Steuergerät.jpg

Schaltplan Sitzheizung Smart 451.jpg


Beiträge dieses Benutzers können Spuren von Ironie, Sarkasmus, Uran, purer Boshaftigkeit, Fachwissen und Erdnüssen enthalten!

This user's posts may contain traces of irony, sarcasm, uranium, pure malice, expertise and peanuts!

 

 

 

Skeched Smart Car_4.jpg

Diesen Beitrag teilen


Link zum Beitrag
Auf anderen Seiten teilen

Super!!!!!

 

Das hilft mir den Fehler zu finden!

 

Vielen Dank.

 

Grüße

Diesen Beitrag teilen


Link zum Beitrag
Auf anderen Seiten teilen
Gerade eben schrieb Joe123HH:

Super!!!!!

 

Das hilft mir den Fehler zu finden!

 

Vielen Dank.

 

Grüße

Gern! 👍
Dafür ist ja das Forum da... 


Beiträge dieses Benutzers können Spuren von Ironie, Sarkasmus, Uran, purer Boshaftigkeit, Fachwissen und Erdnüssen enthalten!

This user's posts may contain traces of irony, sarcasm, uranium, pure malice, expertise and peanuts!

 

 

 

Skeched Smart Car_4.jpg

Diesen Beitrag teilen


Link zum Beitrag
Auf anderen Seiten teilen

So wie es aussieht habe ich wohl den falschen Steckplatz genommen!

 

Unterhalb des SAM`s ist auch noch so ein Steckplatz mit Rastnasen, ich hoffe die Heizungssteuerung hat das heil überstanden!

 

Ich werde das heute Abend mal umstecken.

 

Was mir auch aufgefallen ist, das der Beifahrersitz höher als der Fahrersitz ist!

 

Habe dort keine Kopffreiheit mehr, ist das normal?

 

Danke

bearbeitet von Joe123HH

Diesen Beitrag teilen


Link zum Beitrag
Auf anderen Seiten teilen

Kurze Rückmeldung!

 

Nun funktioniert alles wie gewollt, der Steckplatz war falsch😒

 

Vielen Dank noch einmal.

 

Grüße

Diesen Beitrag teilen


Link zum Beitrag
Auf anderen Seiten teilen

Prima, dass dein "Popotoaster" nun funktioniert.
Dann kann ja der Winter kommen.


Beiträge dieses Benutzers können Spuren von Ironie, Sarkasmus, Uran, purer Boshaftigkeit, Fachwissen und Erdnüssen enthalten!

This user's posts may contain traces of irony, sarcasm, uranium, pure malice, expertise and peanuts!

 

 

 

Skeched Smart Car_4.jpg

Diesen Beitrag teilen


Link zum Beitrag
Auf anderen Seiten teilen

Erstelle ein Benutzerkonto oder melde dich an, um zu kommentieren

Du musst ein Benutzerkonto haben, um einen Kommentar verfassen zu können

Benutzerkonto erstellen

Neues Benutzerkonto für unsere Community erstellen. Es ist einfach!

Neues Benutzerkonto erstellen

Anmelden

Du hast bereits ein Benutzerkonto? Melde dich hier an.

Jetzt anmelden

×
×
  • Neu erstellen...

Wichtige Information

Wir haben Cookies auf Ihrem Gerät platziert, um die Bedinung dieser Website zu verbessern. Sie können Ihre Cookie-Einstellungen anpassen, andernfalls gehen wir davon aus, dass Sie damit einverstanden sind.